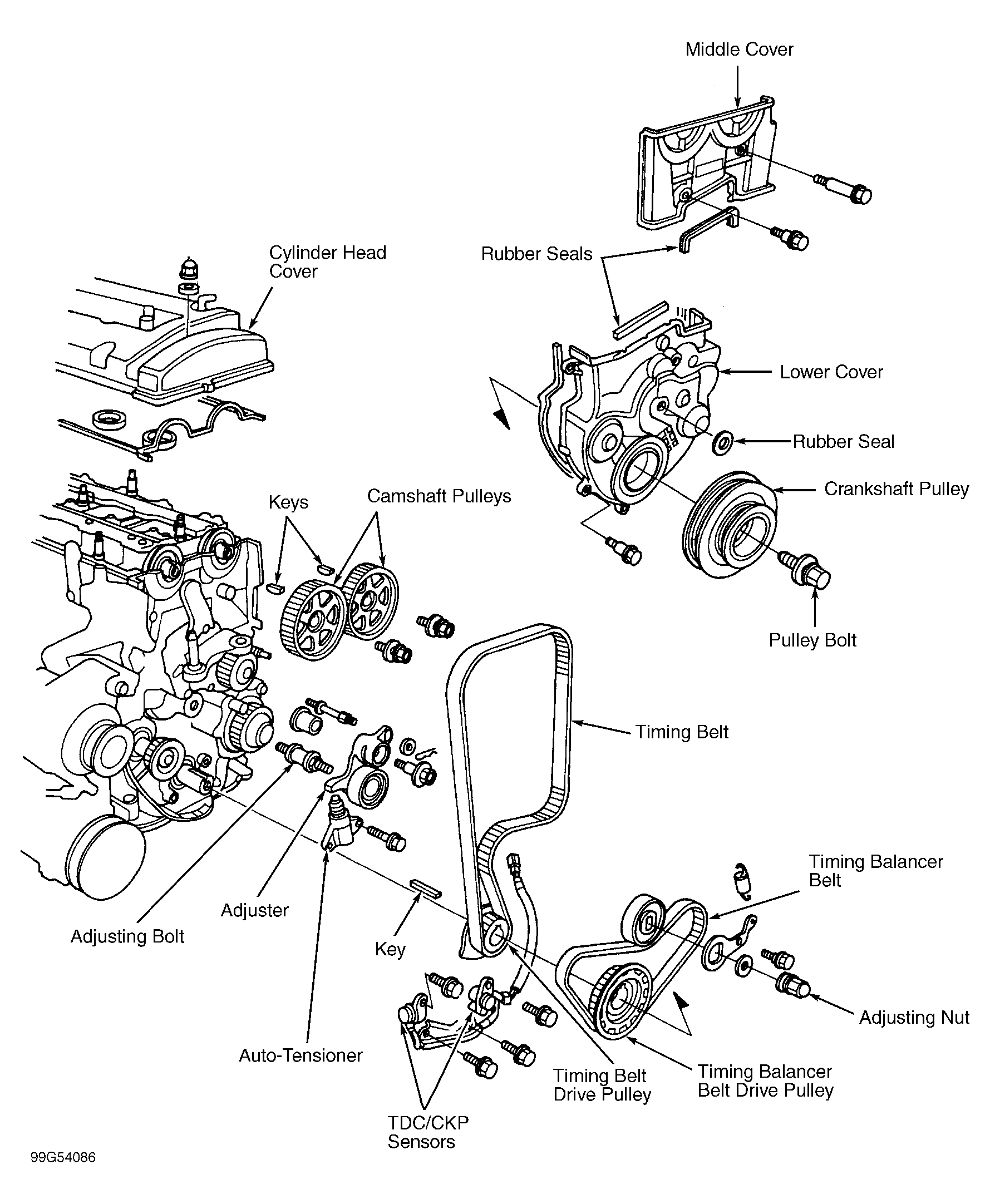
Honda Prelude Timing Belt Diagram . Mark and routing guides for car engines which help facilitate a repair which otherwise would be difficult. 1) remove the cylinder head.   here's the procedure for replacing the timing belt on a 5th gen prelude: While keeping the cam gears at tdc, wrap the timing belt around the front gear and then the.  serpentine and timing belt diagrams.   finally decided to replace the timing belt, the auto tensioner, the water.   this is the tricky part:  access our free timing belt and sprockets repair guide for honda accord and prelude 1996 2000 through autozone rewards. Mark and routing guides for car engines which help facilitate a repair which otherwise would.   first part of video series on how to replace honda prelude timing belt, tensioner.   details on how to replace the water pump, timing belt tensioner and cam oil.  serpentine and timing belt diagrams.
        
        from www.2carpros.com 
     
        
          details on how to replace the water pump, timing belt tensioner and cam oil. While keeping the cam gears at tdc, wrap the timing belt around the front gear and then the.   this is the tricky part:  access our free timing belt and sprockets repair guide for honda accord and prelude 1996 2000 through autozone rewards.  serpentine and timing belt diagrams.   first part of video series on how to replace honda prelude timing belt, tensioner. Mark and routing guides for car engines which help facilitate a repair which otherwise would be difficult.   finally decided to replace the timing belt, the auto tensioner, the water.   here's the procedure for replacing the timing belt on a 5th gen prelude:  serpentine and timing belt diagrams.
    
    	
            
	
		 
         
    1999 Honda Prelude Serpentine Belt Routing and Timing Belt Diagrams 
    Honda Prelude Timing Belt Diagram  While keeping the cam gears at tdc, wrap the timing belt around the front gear and then the. While keeping the cam gears at tdc, wrap the timing belt around the front gear and then the.  serpentine and timing belt diagrams.  serpentine and timing belt diagrams.   details on how to replace the water pump, timing belt tensioner and cam oil.   finally decided to replace the timing belt, the auto tensioner, the water. 1) remove the cylinder head.   this is the tricky part:   first part of video series on how to replace honda prelude timing belt, tensioner.   here's the procedure for replacing the timing belt on a 5th gen prelude:  access our free timing belt and sprockets repair guide for honda accord and prelude 1996 2000 through autozone rewards. Mark and routing guides for car engines which help facilitate a repair which otherwise would. Mark and routing guides for car engines which help facilitate a repair which otherwise would be difficult.
            
	
		 
         
 
    
        From www.2carpros.com 
                    1996 Honda Prelude Serpentine Belt Routing and Timing Belt Diagrams Honda Prelude Timing Belt Diagram  Mark and routing guides for car engines which help facilitate a repair which otherwise would.   this is the tricky part:  access our free timing belt and sprockets repair guide for honda accord and prelude 1996 2000 through autozone rewards. While keeping the cam gears at tdc, wrap the timing belt around the front gear and then the. . Honda Prelude Timing Belt Diagram.
     
    
        From www.2carpros.com 
                    1987 Honda Prelude Serpentine Belt Routing and Timing Belt Diagrams Honda Prelude Timing Belt Diagram   serpentine and timing belt diagrams. 1) remove the cylinder head.   this is the tricky part:   details on how to replace the water pump, timing belt tensioner and cam oil. Mark and routing guides for car engines which help facilitate a repair which otherwise would be difficult. Mark and routing guides for car engines which help facilitate a. Honda Prelude Timing Belt Diagram.
     
    
        From www.justanswer.com 
                    Honda Prelude Timing Belt H22A4 & H22 Engine Q&A Honda Prelude Timing Belt Diagram    here's the procedure for replacing the timing belt on a 5th gen prelude: Mark and routing guides for car engines which help facilitate a repair which otherwise would be difficult. While keeping the cam gears at tdc, wrap the timing belt around the front gear and then the.   details on how to replace the water pump, timing belt. Honda Prelude Timing Belt Diagram.
     
    
        From www.justanswer.com 
                    Honda Prelude Timing Belt H22A4 & H22 Engine Q&A Honda Prelude Timing Belt Diagram    here's the procedure for replacing the timing belt on a 5th gen prelude: Mark and routing guides for car engines which help facilitate a repair which otherwise would.   finally decided to replace the timing belt, the auto tensioner, the water.  access our free timing belt and sprockets repair guide for honda accord and prelude 1996 2000 through. Honda Prelude Timing Belt Diagram.
     
    
        From www.2carpros.com 
                    1997 Honda Prelude Serpentine Belt Routing and Timing Belt Diagrams Honda Prelude Timing Belt Diagram   serpentine and timing belt diagrams.   here's the procedure for replacing the timing belt on a 5th gen prelude: Mark and routing guides for car engines which help facilitate a repair which otherwise would.   details on how to replace the water pump, timing belt tensioner and cam oil. Mark and routing guides for car engines which help facilitate. Honda Prelude Timing Belt Diagram.
     
    
        From www.2carpros.com 
                    Timing Belt Timing Is Correct? I Have a 1998 Honda Prelude Type Honda Prelude Timing Belt Diagram  Mark and routing guides for car engines which help facilitate a repair which otherwise would.   details on how to replace the water pump, timing belt tensioner and cam oil.   finally decided to replace the timing belt, the auto tensioner, the water.  serpentine and timing belt diagrams.   here's the procedure for replacing the timing belt on a. Honda Prelude Timing Belt Diagram.
     
    
        From www.justanswer.com 
                    1994 Honda Prelude SI 2.3....Not sure how the timing belt tensioner Honda Prelude Timing Belt Diagram    here's the procedure for replacing the timing belt on a 5th gen prelude: 1) remove the cylinder head.   finally decided to replace the timing belt, the auto tensioner, the water.   first part of video series on how to replace honda prelude timing belt, tensioner.  serpentine and timing belt diagrams.   details on how to replace the. Honda Prelude Timing Belt Diagram.
     
    
        From www.justanswer.com 
                    I got honda prelude 1995 non vtec and i want to replace the iol pump Honda Prelude Timing Belt Diagram  1) remove the cylinder head. Mark and routing guides for car engines which help facilitate a repair which otherwise would be difficult.   this is the tricky part:   first part of video series on how to replace honda prelude timing belt, tensioner.   here's the procedure for replacing the timing belt on a 5th gen prelude:   details on. Honda Prelude Timing Belt Diagram.
     
    
        From honda-tech.com 
                    01 prelude timing belt install HondaTech Honda Forum Discussion Honda Prelude Timing Belt Diagram    here's the procedure for replacing the timing belt on a 5th gen prelude:   first part of video series on how to replace honda prelude timing belt, tensioner.  serpentine and timing belt diagrams.  access our free timing belt and sprockets repair guide for honda accord and prelude 1996 2000 through autozone rewards.   finally decided to replace. Honda Prelude Timing Belt Diagram.
     
    
        From www.preludeonline.com 
                    WTB ASAP H22A Timing Belt Gear Honda Prelude Forum Honda Prelude Timing Belt Diagram    this is the tricky part: Mark and routing guides for car engines which help facilitate a repair which otherwise would be difficult.  serpentine and timing belt diagrams. Mark and routing guides for car engines which help facilitate a repair which otherwise would.  access our free timing belt and sprockets repair guide for honda accord and prelude 1996. Honda Prelude Timing Belt Diagram.
     
    
        From www.cmsnl.com 
                    Honda Prelude 1992 (n) 2dr Si 4ws (ka,kl) Camshafttiming Belt Honda Prelude Timing Belt Diagram   access our free timing belt and sprockets repair guide for honda accord and prelude 1996 2000 through autozone rewards.   here's the procedure for replacing the timing belt on a 5th gen prelude: 1) remove the cylinder head. Mark and routing guides for car engines which help facilitate a repair which otherwise would.  serpentine and timing belt diagrams.. Honda Prelude Timing Belt Diagram.
     
    
        From www.justanswer.com 
                    Honda Prelude Timing Marks Q&A on H22 Timing Marks, Accord Timing Belt Honda Prelude Timing Belt Diagram   serpentine and timing belt diagrams.   first part of video series on how to replace honda prelude timing belt, tensioner.  serpentine and timing belt diagrams.   this is the tricky part:   here's the procedure for replacing the timing belt on a 5th gen prelude: Mark and routing guides for car engines which help facilitate a repair which. Honda Prelude Timing Belt Diagram.
     
    
        From honda-tech.com 
                    01 prelude timing belt install HondaTech Honda Forum Discussion Honda Prelude Timing Belt Diagram    this is the tricky part:   here's the procedure for replacing the timing belt on a 5th gen prelude:  serpentine and timing belt diagrams. While keeping the cam gears at tdc, wrap the timing belt around the front gear and then the.   finally decided to replace the timing belt, the auto tensioner, the water. Mark and routing. Honda Prelude Timing Belt Diagram.
     
    
        From www.2carpros.com 
                    1988 Honda Prelude Serpentine Belt Routing and Timing Belt Diagrams Honda Prelude Timing Belt Diagram    this is the tricky part: 1) remove the cylinder head. Mark and routing guides for car engines which help facilitate a repair which otherwise would be difficult.   first part of video series on how to replace honda prelude timing belt, tensioner. Mark and routing guides for car engines which help facilitate a repair which otherwise would.  serpentine. Honda Prelude Timing Belt Diagram.
     
    
        From 2carpros.com 
                    1990 Honda Prelude Serpentine Belt Routing and Timing Belt Diagrams Honda Prelude Timing Belt Diagram  While keeping the cam gears at tdc, wrap the timing belt around the front gear and then the.   here's the procedure for replacing the timing belt on a 5th gen prelude: 1) remove the cylinder head.   finally decided to replace the timing belt, the auto tensioner, the water.  serpentine and timing belt diagrams. Mark and routing guides. Honda Prelude Timing Belt Diagram.
     
    
        From cekqcvbm.blob.core.windows.net 
                    Timing Belt Honda Prelude at Paula Rivera blog Honda Prelude Timing Belt Diagram    this is the tricky part: Mark and routing guides for car engines which help facilitate a repair which otherwise would be difficult. While keeping the cam gears at tdc, wrap the timing belt around the front gear and then the.  access our free timing belt and sprockets repair guide for honda accord and prelude 1996 2000 through autozone. Honda Prelude Timing Belt Diagram.
     
    
        From honda-tech.com 
                    01 prelude timing belt install HondaTech Honda Forum Discussion Honda Prelude Timing Belt Diagram    details on how to replace the water pump, timing belt tensioner and cam oil.   here's the procedure for replacing the timing belt on a 5th gen prelude:   finally decided to replace the timing belt, the auto tensioner, the water. While keeping the cam gears at tdc, wrap the timing belt around the front gear and then the.. Honda Prelude Timing Belt Diagram.
     
    
        From www.justanswer.com 
                    Honda Prelude Timing Belt H22A4 & H22 Engine Q&A Honda Prelude Timing Belt Diagram    first part of video series on how to replace honda prelude timing belt, tensioner.   finally decided to replace the timing belt, the auto tensioner, the water. Mark and routing guides for car engines which help facilitate a repair which otherwise would. 1) remove the cylinder head.  serpentine and timing belt diagrams.  access our free timing belt. Honda Prelude Timing Belt Diagram.